kuepker.tech
Umrüstung von Ottomotoren auf frei programmierbare Motorsteuerungen
Auto u. Motorrad
Jedes Steuergerät für Einspritzmotoren ist für den jeweiligen Serienmotor vom Fahrzeughersteller individuell programmiert. Zündwinkel, Einspritzmengen, Variable- Ventilöffnungszeiten, Ladedrücke und weitere Parameter hängen ab von der konstruktiven Motorauslegung. Wird die konstruktive Motorauslegung grundlegend geändert, beispielsweise durch Montage von Einzeldrosselklappen, Aufladung, größeren Ventilen, modernen Sensoren und Aktoren wie Luftmassenmessung, Einzelzündspulen usw. muss das Motorsteuergerät auf die entsprechenden Gegebenheiten neu programmiert werden. Das Chiptuning von Seriensteuergeräten bietet hier keine Möglichkeiten, da die Ein- und Ausgänge der Steuergeräte nicht individuell programmiert werden können. Bei der Umrüstung von Vergaser auf Einspritzung wird ebenfalls ein Steuergerät erforderlich, welches entsprechend den gewünschten Sensoren und Aktoren individuell programmiert werden muss. Ein frei programmierbares Steuergerät ist somit erforderlich bei: - Nachrüstung einer Motoraufladung - Umrüsten von Vergasermotoren auf Einspritzung (Young- und Oldtimer) was auch nach langer Standzeit einen einwandfreien Motorstart und optimalen Rundlauf gewährleistet. - Verbrauchs und Abgasverbesserung bei Young und Oldtimern - Motortuning, Rennsport - Verbesserung/Erweiterung veralteter Einspritzsysteme - Umrüstung veralteter Einspritzsysteme mangels Ersatzteilen - Erneuern von nicht mehr lieferbaren Motorsteuergeräten
Eigenkonstruktion einer Einspritzanlage für einen Oldtimer Motorradmotor. Im nächsten Schritt erfolgte der Entwurf und die Herstellung des Kabelbaums für die elektrischen Anschlüsse aller Sensoren und Aktoren.
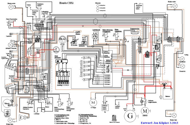
Hier habe ich die gesamte Elektrische Anlage neu gestaltet. Ein aussagefähiger Schaltplan ist zwingend erforderlich und wird Individuell per CAD- Programm erstellt. Künftige Erweiterungen oder Diagnosen im Störfall sind somit jederzeit ohne großenZ eitaufwand möglich.
Beispiel eines Kennfeldes Nun erfolgt die individuelle Anpassung der Bauteile des Einspritzsystems mittels Notebook und entsprechender Software an das Steuergerät. Diese Arbeiten erfordern viel Erfahrung und Grundwissen über Motorsteuerungen. Sind die Einstellungen zur Anpassung aller Bauteile durchgeführt, müssen die Grundlagen zur Berechnung von Zündwinkel, Einspritzdauer u.a. programmiert werden. Das geschieht mit rund 20 Kennfeldern und deren Zusammenspiel. Die Kennfelder werden mittels Abgasmesstechnik Rollenprüfstand und im Fahrbetrieb durch mitgeführte Messtechnik ermittelt. Diese Arbeiten erfordern viel Umsicht und Erfahrung, denn die mechanische und thermische Festigkeit eines Motors hat Grenzen welche schnell erreicht sind.
Hilfsmittel wie Abgastemperaturfühler und Breitbandlambdasonden sind für die Abstimmungsarbeiten hilfreich. Im Fahrbetrieb können Abgastemperatur und Gemisch bis zur Höchstleistung überwacht werden.
Kraftstoffrail aus Messing, Drosselklappenanlenkungen, Halter f. Sensoren, Drehzahlgeberaufnahme, Umbau von Drosselklappenstutzen komplett hanwerklich von mir hergestellt.