kuepker.tech
Bordelektrik, Erstellen v. Schaltplänen
Wohnmobil
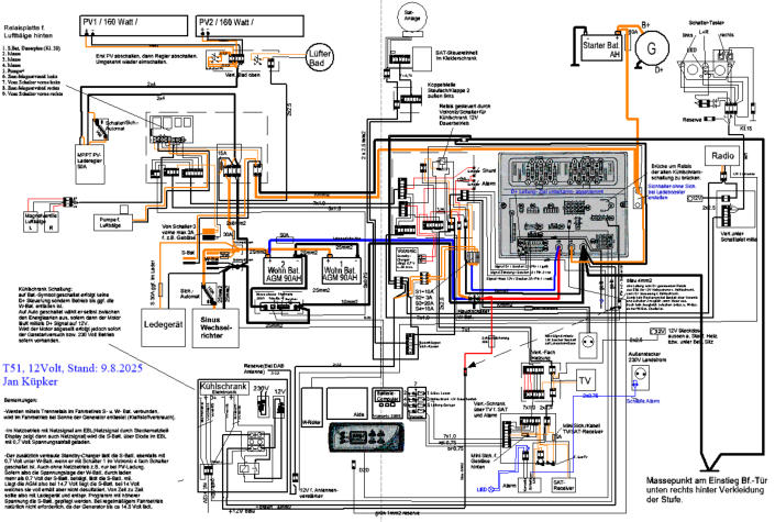
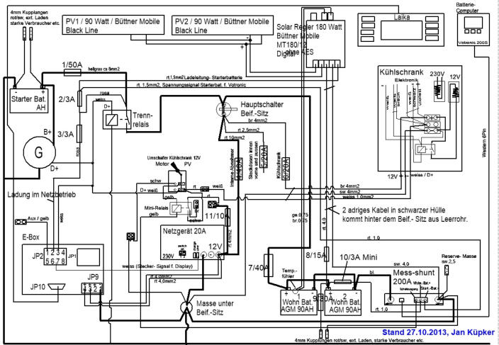
Ein Schaltplan, welcher den aktuellen Stand der elektrischen Installationen zeigt, ist aus meiner Sicht unerlässlich. Funktionszusammenhänge, Erweiterungen und Diagnosen im Falle von Störungen sind zielführend und schnell möglich. Für ein Originales Fahrzeug hält der Hersteller entsprechende Pläne vor, welche aber leider nicht dem Fahrzeug beiliegen und meist keine genügende Detailtiefe aufweisen. Wurde Elektrisches Zubehör nachgerüstet, fehlt meist mangels Zeit des Umrüsters die genaue Dokumentation über Einbauorte und Anschlüsse. Im Rahmen von Nachrüstungen oder Reparaturen fertige ich entsprechende Pläne an.
Einbau der Lade u. Batterietechnik in die Niesche der Heckgarage. Mobiler Lifepo-Speicher läuft im Parrallelbetrieb mit AGM.
Wechselkonsole/Bedienpanel nachträglich in Originalblende integriert. Kann im Bedarfsfall ohne Verlust der Originalblende erweitert oder umgeändert werden.